-
Mar 12, 2024ASME B16.5 Aicme Flange Snáithithe 2500 in orlachASME B16.5 Aicme Flange Snáithithe 2500 in orlach -
Mar 12, 2024ASME B16.5 Aicme Flange Snáithithe 1500 in orlachASME B16.5 Aicme Flange Snáithithe 1500 in orlach -
Mar 12, 2024ASME B16.5 Aicme Flange Snáithithe 900 in orlachASME B16.5 Aicme Flange Snáithithe 900 in orlach -
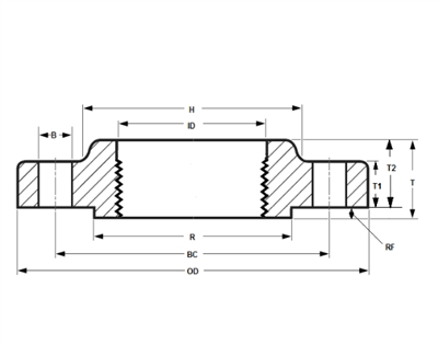
Mar 12, 2024ASME B16.5 Aicme Flange Snáithithe 600 in orlachASME B16.5 Aicme Flange Snáithithe 600 in orlach -
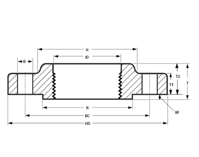
Mar 12, 2024ASME B16.5 Aicme Flange Snáithithe 400 in orlachASME B16.5 Aicme Flange Snáithithe 400 in orlach -
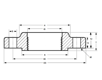
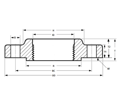
Mar 12, 2024ASME B16.5 Aicme Flange Snáithithe 300 in orlachASME B16.5 Aicme Flange Snáithithe 300 in orlach -
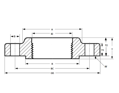
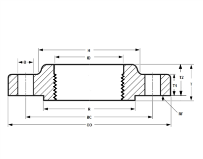
Mar 12, 2024ASME B16.5 Flange Snáithithe Aicme 150 in orlachASME B16.5 Flange Snáithithe Aicme 150 in orlach -
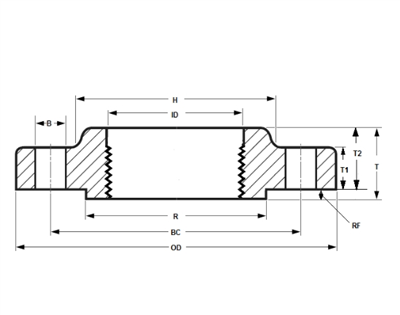
Mar 12, 2024Toisí Flange Muineál Táthú Aicme 600Athraíonn toisí Flange Muineál Táthú Aicme 600, de réir caighdeáin ASME B16.5, bunaithe ar mhéid píopa ainmniúil (NPS) an flange. Seo thíos na toisí ginearálta le haghaidh Flange M









